音圈电机驱动偏摆台BSM

发布时间:2022-07-18浏览次数:2265
  • 音圈电机驱动偏摆台BSM
  • 音圈电机驱动偏摆台BSM
  • 音圈电机驱动偏摆台BSM

       音圈电机驱动偏摆台BSM采用差分驱动与差分传感设计,通过负载平面的两轴(θx,θy)旋转运动实现高精密指向与调姿,输出扭矩大,控制精度高,适用于超远程大口径光束的快速指向、扫描及跟踪。


技术特点:

  •  · 音圈电机直驱式精密设计

  •  · 嵌入式纳米位移传感器系统

  •  · 超高指向精度、高动态、低噪声

  •  · 高精度柔性铰链设计,光学负载鲁棒性强

  •  · 支持光机对准、跟踪及动态扫描等复杂伺服需求

  •  · 兼容空间及高真空等特殊环境


应用领域:

  •  · 激光雷达

  •  · 光学稳像

  •  · 空间激光通讯

  •  · 激光束稳定

  •  · 超分辨率光学成像


规格参数:


型号

NP-VCM-UV

 主动轴

θX,θY

 传感器类型

容式

 闭环行程

10mrad

 指向精度

±0.75µrad

 闭环分辨率

±0.05µrad

 重复定位精度

1.5µrad

 线性度 

0.5%

 谐振频率

15Hz(带直径105mm反射镜)

 自重

5kg(不含底座)

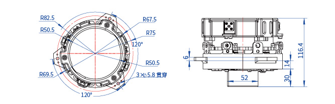
 尺寸

Φ140X116.4mm


BSM摆镜图稿_画板 1.jpg


资料下载



音圈电机驱动偏摆台BSM 产品规格书.pdf


微信扫码微信扫码 关注我们

  • 24小时咨询热线0633-8223966

  • 邮箱info@attomotion.com

Copyright © 2022 阿米精控科技(山东)有限公司 All Rights Reserved. 地址:山东省日照市东港区日照路智慧微电产业园C-2座 京ICP证000000号